Обратный звонок
Видеоконсультация
Похвалить
Пожаловаться
Сообщить об ошибке
Бийск
Магазины
X-MOTORS
О компании
Вакансии
Новости
Статьи
Отзывы
Доставка и оплата
Контакты
Письмо директору
+7 (385) 222-41-62
Маркетплейс для
активного отдыха
Каталог товаров
Каталог
Главная
Вход
Сравнение
Избранное
Каталог
Корзина
РАСПРОДАЖА
Лидеры продаж
Б/У техника
PROMAX
MARLIN
OMOLON
HIDEA
IKUDZO
MISHIMO
RAIDEX
SMARINE-X-MOTORS-EDITION
FAIDET
FRATELI
GBM
OPTI MAX (premium series)
SANCHEZ
CONDOR
JHL MOTO
ВСЕ ТОВАРЫ →
Б/У техника
Мотобуксировщики б/у (с пробегом)
Лодки ПВХ б/у (с пробегом)
Лодочные моторы б/у (с пробегом)
Квадроциклы б/у (с пробегом)
Мотоциклы б/у (с пробегом)
Сапборды (SUP-борды) б/у
Снегоходы б/у (с пробегом)
Мототехника
PROMAX
FAIDET
EX-MOTO
FRATELI
GTX
SANCHEZ
JHL MOTO
PROGASI
KOVE
PROCIDA
AODES
IRBIS
X-MOTORS
AVANTIS
GLADIATOR
ВСЕ ТОВАРЫ →
Мототехника
Мотоциклы
Круизеры и чопперы
Спортбайки
Туристические мотоциклы
Нэйкед
Мотард
Детские мотоциклы
Кастомные мотоциклы
Питбайки, кроссовые мотоциклы, эндуро
Питбайки
Кроссовые мотоциклы
Эндуро
Турэндуро (Tour Эндуро)
Мототриал
Трициклы
Мопеды и скутеры
Мопеды
Скутеры
Макси-скутеры
Минибайки
Квадроциклы
PROMAX
GBM
FAIDET
AODES
HND
BENDA
PROGASI
AODES EXCLUSIVE
HISUN
IRBIS
AVANTIS
GLADIATOR
VENTO (VMC)
MOTOLAND
БУРЛАК
ВСЕ ТОВАРЫ →
Квадроциклы
Утилитарные квадроциклы
Спортивные квадроциклы
Шоссейные квадроциклы
Детские и подростковые квадроциклы
Электроквадроциклы для малышей
Снегоходы
IKUDZO
PROMAX
AODES
IRBIS
AVANTIS
БТС
X-MOTORS
VENTO (VMC)
MOTOLAND
БУРЛАК
ABM
APACHE
BARYS
BENDA
BRP
ВСЕ ТОВАРЫ →
Снегоходы
Туристические снегоходы
Утилитарные снегоходы
Спортивные и горные снегоходы
Детские снегоходы, мотоснегокаты
Миниснегоходы
Мотобуксировщики
IKUDZO
PROMAX
OPTI MAX (premium series)
SNOW DOG
POMOR
БТС
IRBIS
SNOWBEAR
X-MOTORS
БУРЛАК
ABM
AHTAR (АХТАР)
BALTMOTORS
CRONUS
EX-MOTO
ВСЕ ТОВАРЫ →
Мотобуксировщики
Мотобуксировщики новые
Аксессуары для Мотобуксировщиков
Мотосноуборды
Вездеходы
CAIMAN
POLARIS
TUNDRA
АТАМАН
МАЛАМУТ
РУССКИЙ ВЕЗДЕХОДНЫЙ ЗАВОД
ТАЙГА
ВСЕ ТОВАРЫ →
Вездеходы
Запчасти для Вездеходов
Аксессуары для Вездеходов
Водный транспорт
PROMAX
MARLIN PROLINE
MARLIN
OMOLON
HIDEA
MISHIMO
RAIDEX
SMARINE-X-MOTORS-EDITION
KROSTEK
BREEZE-YAMAHA
ALLFA
CONDOR
HND
TAKATSU
SMARINE
ВСЕ ТОВАРЫ →
Водный транспорт
Сапборды (SUP-борды)
Лодочные моторы
Лодочные моторы новые
Водометные насадки
Электромоторы, электроякоря
Надувные лодки
Лодки под мотор
Гребные лодки
Аксессуары для катеров и лодок
Комплект лодка+мотор (ВЫГОДНО!)
Пластиковые лодки
Алюминиевые лодки
Гидроциклы
Катера
Классические катера
Каютные катера
Одноконсольные катера
Катера с открытой передней частью
Алюминиевые катера
Комбинированные катера
Стеклопластиковые катера
РИБы
Классические РИБы
Складные РИБы
Катамараны
Рафты
Байдарки
Каноэ
Каяки
Водные велосипеды
Автоприцепы
Прицепы для лодок
Дополнительное оборудование
Аксессуары, расходники для ПЛМ
Сумки для ПЛМ
Тележки для ПЛМ
Детали для дистанционного управления
Винты гребные
Водометные насадки
Аксессуары для катеров и лодок
Насосы
Якорно-швартовое оборудование
Спасательные средства
Оборудование для надувных лодок ПВХ
Системы рулевого и дистанционного управления
Топливная система
Осушительная система
Система пресной воды
Душевая система
Фановая система
Плиты транцевые
Приборы контроля
Палубное оборудование
Дельные вещи
Оборудование для парусных яхт, бегучий такелаж
Держатели спиннинга
Осветительное оборудование
Морская акустика и аксессуары
Стеклоочистители и стекла
Мебель судовая
Фурнитура, предметы интерьера
Ремонт, покраска и уход за судном
Принадлежности для транспортировки
Анодная защита
Запчасти для лодочных моторов
Запчасти для катеров и лодок
Снегоуборщики
Багги (UTV)
Мотоэкипировка
X-MOTORS
AVANTIS
HETOSHI
MOTOLAND
VEMAR
100%
ACERBIS
AGV
AIROH
ALPINESTARS
ATLAS
BAFFIN
BASK
BEON
DAINESE
ВСЕ ТОВАРЫ →
Мотоэкипировка
Мотошлемы
Шлемы интеграл
Шлемы модуляр
Шлемы мотокросс
Шлемы эндуро, мотард
Шлемы открытые
Детские мотошлемы
Подшлемники, ветрозащита
Пинлоки
Визоры и запчасти
Мотогарнитуры
Мотоочки
Кроссовые очки
Детские очки
Аксессуары для мотоочков
Мотокуртки
Джерси и футболки
Мотоштаны
Мотоперчатки
Мотообувь
Кроссовые мотоботы
Дорожные мотоботы
Гольфы и носки
Аксессуары для мотоботов
Мотокомбинезоны
Мотозащита
Защита тела
Наколенники, налокотники
Аксессуары для мотозащиты
Зимняя экипировка
Шлемы
Очки
Снегоходная одежда
Повседневная зимняя одежда
Защита
Повседневная одежда
Мотосумки, рюкзаки
Мотодождевики
Велосипеды, самокаты
KROSTEK
GTX
IRBIS
X-MOTORS
BLACK AQUA
CITYCOCO
ELTRECO
FURY
HEMEN
MOBY KIDS
MONSOON
NOVATRACK
OMAKS
PHOENIX
RACER
ВСЕ ТОВАРЫ →
Велосипеды, самокаты
Велосипеды на литых дисках
Детские велосипеды, беговелы
Двухколесные велосипеды
Трехколесные велосипеды
Четырехколесные велосипеды
Велосипеды с ручкой
Беговелы
Подростковые велосипеды
Складные велосипеды
Горные велосипеды
Двухподвесные велосипеды
Городские, дорожные велосипеды
Женские велосипеды
Шоссейные велосипеды
Циклокроссовые велосипеды
Велосипеды трюковые (BMX)
Комфортные велосипеды
Фэтбайки
Электровелосипеды
Складные электровелосипеды
Городские электровелосипеды
Горные электровелосипеды
Двухподвесные электровелосипеды
Электро фэтбайки
Велосипеды с веломотором
Аксессуары
IKUDZO
PROMAX
FRATELI
KOVE
AODES
POMOR
БТС
IRBIS
X-MOTORS
AVANTIS
БУРЛАК
FROZEN MOTO
HTLD / NIBBI
IMPERSLED
KIWI WINCHES
ВСЕ ТОВАРЫ →
Аксессуары
Защита двигателя для мотоциклов
Аксессуары для техники STELS
Аксессуары для техники IRBIS
Аксессуары для Мотобуксировщиков
Модули, толкачи
Сани, прицепы
Чехлы, кофры, муфты
Электрические компоненты и ЗИП
Элементы кузова и подвески
Ветровые стекла
Для катеров и лодок
Для квадроциклов и вездеходов
Для мотоциклов и скутеров
Для снегоходов
Выносы шноркелей, радиаторов
Дополнительный свет
Канистры
Кофры (сумки)
Кофры, сумки для Квадроциклов
Кофры, сумки для Мопедов/Скутеров
Кофры, сумки для Мотобуксировщиков
Кофры, сумки для Мотоциклов
Кофры, сумки для Снегоходов
Лебедки
Подкаты, кантователи для снегоходов
Расширители колес
Снегоуборочные отвалы
Чехлы
Чехлы для багги (UTV)
Чехлы для Вездеходов
Чехлы для Квадроциклов
Чехлы для Мотобуксировщиков
Чехлы для Мотоциклов
Чехлы для Снегоходов
Зимние комплекты для техники
Гусеницы
PROMAX
БУРЛАК
EXPLOSIVE
FROZEN MOTO
HTLD / NIBBI
IMPERSLED
KUBENA
SNOWBIKE
SNOWBIKE35
SNOWMOTOFUN
SNOWRIDER
TALON
Vortex
YMASTRACKS
КОМПОЗИТ
ВСЕ ТОВАРЫ →
Гусеницы
Гусеницы для автомобилей
Гусеницы для багги (UTV/ATV)
Гусеницы для мотобуксировщиков
Гусеницы для мотоциклов
Запчасти
PROMAX
MARLIN
HIDEA
IKUDZO
FAIDET
FRATELI
GBM
PROGASI
AODES
IRBIS
Sarmax
X-MOTORS
AVANTIS
HETOSHI
MOTOLAND
ВСЕ ТОВАРЫ →
Запчасти
Общий каталог: цепи, фильтра, колодки, ремни, свечи, звезды, аккумуляторы, ручки и т.д
Общий каталог: камеры, шины, колеса, обода, спицы
Общий каталог: Детали корпуса, Рычаги, Педали, Грипсы, Пластик, Поворотники, пульты и т.д
Общий каталог: Электрика (CDI, катушки, коммутаторы, стабилизаторы, реле, лягушки, лампочки и т.д)
Запчасти для китайских двигателей
Запчасти для квадроциклов
Запчасти для снегоходов
Запчасти для мотоциклов, мопедов
Запчасти для скутеров
Запчасти для трициклов
Запчасти для вездеходов
Запчасти для лодочных моторов
Запчасти для лодок и катеров
Запчасти по производителю
Запчасти для садовой техники
Шины и диски
Запчасти для мотобуксировщиков
Шины, диски
BKT
DEESTONE
KENDA
MITAS
WANDA
YUANXING
МОТОМИР
ВСЕ ТОВАРЫ →
Шины, диски
Для квадроциклов
Покрышки для квадроциклов
Камеры для квадроциклов
Диски для квадроциклов
Для мототехники
Покрышки для дорожной мототехники
Покрышки для внедорожной мототехники
Камеры для мототехники
Для картинга
Покрышки для картинга
Для велосипедов
Шины для велосипедов
Камеры для велосипедов
Для садовой техники
Покрышки для садовой техники
Камеры для садовой техники
Прицепы, сани
PROMAX
POMOR
IRBIS
X-MOTORS
KOIRA
МОТОМИР
САНИ, НАКЛАДКИ ПРЕМИУМ
ЦЕНТРПЛАСТ
ВСЕ ТОВАРЫ →
Прицепы, сани
Прицепы для мотоциклов и мопедов
Прицепы для перевозки мототехники
Сани
Чехлы
Электротранспорт
PROMAX
VENTO (VMC)
MOTOLAND
APOLLO
BUTCHBIKE
CITYCOCO
E-NOT
ELTRECO
GREEN-CAMEL
JM
MINIPRO
MOTAX
REGULMOTO
SHERHAN
STALKER
ВСЕ ТОВАРЫ →
Электротранспорт
Электромашинки детские
Электроквадроциклы детские
Электромашинки детские
Электромотоциклы детские
Сигвеи
Электромотоциклы
Электроскейты
Электроскутеры
Дрифткарт (Электротрайк)
Мотоколеса
Электровелосипеды
Электроквадроциклы
Электросамокаты
Электроснегоходы
ГСМ
MARLIN
MISHIMO
LIQUIMOLY
MANNOL
MERCURY
MOTUL
XPS
YAMALUBE
ВМПАВТО
ВСЕ ТОВАРЫ →
ГСМ
Вилочные и амортизаторные масла
Трансмиссионные масла
Масла для квадроциклов и багги (ATV/UTV)
Масла для 2-х тактных квадроциклов и багги (ATV/UTV)
Масла для 4-х тактных квадроциклов и багги (ATV/UTV)
Масла для водной техники
Масла для 2-х тактных ПЛМ
Масла для 4-х тактных ПЛМ
Масла для гидроциклов
Трансмиссионные масла для ПЛМ
Масла для скутеров и мотоциклов
Масла для 2-х тактных скутеров и мотоциклов
Масла для 4-х тактных скутеров и мотоциклов
Масла для садовой техники
Масла для снегоходов
Масла для 2-х тактных снегоходов
Масла для 4-х тактных снегоходов
Смазки
Смазки и пропитки
Уход за цепью
Бийск
Магазины
+7 (385) 222-41-62
Пн-Вс с 10-00 до 19-00
Каталог товаров
Распродажа
Предзаказ
Акции
Лидеры продаж
Отзывы клиентов
Видеообзоры от X-MOTORS
Техническое обслуживание
Адреса магазинов
Компания X-MOTORS
О компании
Политика конфиденциальности
Видеообзоры
Видеоотзывы
Отзывы о компании
Вакансии
Новости
Статьи
Покупателям
Акции и скидки
Доставка и оплата
Рассрочка и кредит
Правила представления информации
Сервис
Техническое обслуживание
Гарантийный ремонт
Платный ремонт
Контакты
Магазины
Контакты
Письмо директору
Реквизиты
Каталог товаров
РАСПРОДАЖА
Лучшее предложение
Б/У техника
Все товары из категории
Мотобуксировщики б/у (с пробегом)
Лодки ПВХ б/у (с пробегом)
Лодочные моторы б/у (с пробегом)
Квадроциклы б/у (с пробегом)
Мотоциклы б/у (с пробегом)
Сапборды (SUP-борды) б/у
Снегоходы б/у (с пробегом)
Мототехника
Все товары из категории
Мотоциклы
Мотоциклы
Все товары из категории
Круизеры и чопперы
Спортбайки
Туристические мотоциклы
Нэйкед
Мотард
Детские мотоциклы
Кастомные мотоциклы
Питбайки, кроссовые мотоциклы, эндуро
Питбайки, кроссовые мотоциклы, эндуро
Все товары из категории
Питбайки
Кроссовые мотоциклы
Эндуро
Турэндуро (Tour Эндуро)
Мототриал
Трициклы
Мопеды и скутеры
Мопеды и скутеры
Все товары из категории
Мопеды
Скутеры
Макси-скутеры
Минибайки
Квадроциклы
Все товары из категории
Утилитарные квадроциклы
Спортивные квадроциклы
Шоссейные квадроциклы
Детские и подростковые квадроциклы
Электроквадроциклы для малышей
Снегоходы
Все товары из категории
Туристические снегоходы
Утилитарные снегоходы
Спортивные и горные снегоходы
Детские снегоходы, мотоснегокаты
Миниснегоходы
Мотобуксировщики
Все товары из категории
Мотобуксировщики новые
Аксессуары для Мотобуксировщиков
Мотосноуборды
Вездеходы
Все товары из категории
Запчасти для Вездеходов
Аксессуары для Вездеходов
Водный транспорт
Все товары из категории
Сапборды (SUP-борды)
Лодочные моторы
Лодочные моторы
Все товары из категории
Лодочные моторы новые
Водометные насадки
Электромоторы, электроякоря
Надувные лодки
Надувные лодки
Все товары из категории
Лодки под мотор
Гребные лодки
Аксессуары для катеров и лодок
Комплект лодка+мотор (ВЫГОДНО!)
Пластиковые лодки
Алюминиевые лодки
Гидроциклы
Катера
Катера
Все товары из категории
Классические катера
Каютные катера
Одноконсольные катера
Катера с открытой передней частью
Алюминиевые катера
Комбинированные катера
Стеклопластиковые катера
РИБы
РИБы
Все товары из категории
Классические РИБы
Складные РИБы
Катамараны
Рафты
Байдарки
Каноэ
Каяки
Водные велосипеды
Автоприцепы
Автоприцепы
Все товары из категории
Прицепы для лодок
Дополнительное оборудование
Аксессуары, расходники для ПЛМ
Аксессуары, расходники для ПЛМ
Все товары из категории
Сумки для ПЛМ
Тележки для ПЛМ
Детали для дистанционного управления
Винты гребные
Водометные насадки
Аксессуары для катеров и лодок
Аксессуары для катеров и лодок
Все товары из категории
Насосы
Якорно-швартовое оборудование
Спасательные средства
Оборудование для надувных лодок ПВХ
Системы рулевого и дистанционного управления
Топливная система
Осушительная система
Система пресной воды
Душевая система
Фановая система
Плиты транцевые
Приборы контроля
Палубное оборудование
Дельные вещи
Оборудование для парусных яхт, бегучий такелаж
Держатели спиннинга
Осветительное оборудование
Морская акустика и аксессуары
Стеклоочистители и стекла
Мебель судовая
Фурнитура, предметы интерьера
Ремонт, покраска и уход за судном
Принадлежности для транспортировки
Анодная защита
Запчасти для лодочных моторов
Запчасти для катеров и лодок
Снегоуборщики
Багги (UTV)
Мотоэкипировка
Все товары из категории
Мотошлемы
Мотошлемы
Все товары из категории
Шлемы интеграл
Шлемы модуляр
Шлемы мотокросс
Шлемы эндуро, мотард
Шлемы открытые
Детские мотошлемы
Подшлемники, ветрозащита
Пинлоки
Визоры и запчасти
Мотогарнитуры
Мотоочки
Мотоочки
Все товары из категории
Кроссовые очки
Детские очки
Аксессуары для мотоочков
Мотокуртки
Джерси и футболки
Мотоштаны
Мотоперчатки
Мотообувь
Мотообувь
Все товары из категории
Кроссовые мотоботы
Дорожные мотоботы
Гольфы и носки
Аксессуары для мотоботов
Мотокомбинезоны
Мотозащита
Мотозащита
Все товары из категории
Защита тела
Наколенники, налокотники
Аксессуары для мотозащиты
Зимняя экипировка
Зимняя экипировка
Все товары из категории
Шлемы
Очки
Снегоходная одежда
Повседневная зимняя одежда
Защита
Повседневная одежда
Мотосумки, рюкзаки
Мотодождевики
Велосипеды, самокаты
Все товары из категории
Велосипеды на литых дисках
Детские велосипеды, беговелы
Детские велосипеды, беговелы
Все товары из категории
Двухколесные велосипеды
Трехколесные велосипеды
Четырехколесные велосипеды
Велосипеды с ручкой
Беговелы
Подростковые велосипеды
Складные велосипеды
Горные велосипеды
Двухподвесные велосипеды
Городские, дорожные велосипеды
Женские велосипеды
Шоссейные велосипеды
Циклокроссовые велосипеды
Велосипеды трюковые (BMX)
Комфортные велосипеды
Фэтбайки
Электровелосипеды
Электровелосипеды
Все товары из категории
Складные электровелосипеды
Городские электровелосипеды
Горные электровелосипеды
Двухподвесные электровелосипеды
Электро фэтбайки
Велосипеды с веломотором
Аксессуары
Все товары из категории
Защита двигателя для мотоциклов
Аксессуары для техники STELS
Аксессуары для техники IRBIS
Аксессуары для Мотобуксировщиков
Аксессуары для Мотобуксировщиков
Все товары из категории
Модули, толкачи
Сани, прицепы
Чехлы, кофры, муфты
Электрические компоненты и ЗИП
Элементы кузова и подвески
Ветровые стекла
Ветровые стекла
Все товары из категории
Для катеров и лодок
Для квадроциклов и вездеходов
Для мотоциклов и скутеров
Для снегоходов
Выносы шноркелей, радиаторов
Дополнительный свет
Канистры
Кофры (сумки)
Кофры (сумки)
Все товары из категории
Кофры, сумки для Квадроциклов
Кофры, сумки для Мопедов/Скутеров
Кофры, сумки для Мотобуксировщиков
Кофры, сумки для Мотоциклов
Кофры, сумки для Снегоходов
Лебедки
Подкаты, кантователи для снегоходов
Расширители колес
Снегоуборочные отвалы
Чехлы
Чехлы
Все товары из категории
Чехлы для багги (UTV)
Чехлы для Вездеходов
Чехлы для Квадроциклов
Чехлы для Мотобуксировщиков
Чехлы для Мотоциклов
Чехлы для Снегоходов
Зимние комплекты для техники
Гусеницы
Все товары из категории
Гусеницы для автомобилей
Гусеницы для багги (UTV/ATV)
Гусеницы для мотобуксировщиков
Гусеницы для мотоциклов
Запчасти
Все товары из категории
Общий каталог: цепи, фильтра, колодки, ремни, свечи, звезды, аккумуляторы, ручки и т.д
Общий каталог: цепи, фильтра, колодки, ремни, свечи, звезды, аккумуляторы, ручки и т.д
Все товары из категории
Масло моторное, трансмиссионное
Цепи приводные
Звезды ведомые, ведущие
Фильтры
Колодки тормозные
Ремни вариатора, вентилятора
Свечи зажигания
Аккумуляторы
Сальники, пыльники
Общий каталог: камеры, шины, колеса, обода, спицы
Общий каталог: камеры, шины, колеса, обода, спицы
Все товары из категории
Антибуксаторы
Флиппер на обод колеса
Камеры для мотоциклов ,квадроциклов
Мотопокрышки, квадрошины, шины
Диски, обода, спицы
Общий каталог: Детали корпуса, Рычаги, Педали, Грипсы, Пластик, Поворотники, пульты и т.д
Общий каталог: Детали корпуса, Рычаги, Педали, Грипсы, Пластик, Поворотники, пульты и т.д
Все товары из категории
Ручки руля, грипсы, грузики
Поворотники для мототехники
Рычаги (руля) тормоза, сцепления, газа
Рычаги переключения передач, педали тормоза
Троса газа, тормоза, подсоса и т.д.
Кикстартера, ручной, ножной запуск
Подножки водителя, пассажира
Тормозная система, тормозные цилиндры, бачки, машинки, диски тормозные
Крышки бака, сапуны бака
Оси колеса, маятника
Пластик кузова
Перья вилки ,передние амортизаторы
Щитки приборов, приборная панель
Фары, фонари
Рули
Бензобаки, детали бензобака
Сиденья водителя, пассажира
Рычаги подвески, маятники
Глушители выхлопных газов
Общий каталог: Электрика (CDI, катушки, коммутаторы, стабилизаторы, реле, лягушки, лампочки и т.д)
Общий каталог: Электрика (CDI, катушки, коммутаторы, стабилизаторы, реле, лягушки, лампочки и т.д)
Все товары из категории
Блок электронного зажигания (CDI), коммутаторы
Катушки зажигания для мототехники
Реле электростартера, поворотов, габаритов и подогрева ручек, Реле-регулятор напряжения
Датчики масла, температуры, вентилятора, кислорода, датчики (лягушки) п.п, скорости
Замки зажигания, комплекты замков
Пульты, домики, блоки переключения руля
Лампочки для мото, квадро, снего
Звуковые сигналы
Запчасти для китайских двигателей
Запчасти для китайских двигателей
Все товары из категории
Запчасти для двигателя IE30, IE40-49, IE40-F6, IE50-F6, LMATV-049HM, (2Т 49сс, все квадры, питы, бензопилы)
Запчасти для двигателя 139QMB, 141QMB, 139QMА, 1P39QMB (4Т скутера)
Запчасти для двигателя 1E40QMB, 1E41QMB, 1E50QMB, 1E60QMB, 1E70QMB, 1E90QMB (2Т скутера)
Запчасти для двигателя 139FMB, 1P39FM. 1P39, 1P39FMB
Запчасти для двигателя 147FMD, 147FMH , 1P47FMD, 1P47FME
Запчасти для двигателя 152FMH, 152FMA, 1P52
Запчасти для двигателя 152FMI, ZS1P52FMI, 1P52, YX 110-125
Запчасти для двигателя H1P622FMJ-PRO
Запчасти для двигателя S1P622FMJ-PRO
Запчасти для двигателя S1P611FMI-PRO
Запчасти для двигателя 1P61FML-PRO ATV 150/190 (с аналогами)
Запчасти для двигателя 1P61FML-PRO ATV 150/190
Запчасти для двигателя 1P75FMJ-PRO квадроцикл 250/300 баланс.вал
Запчасти для двигателя L1P75CVT-PRO
Запчасти для двигателя NC300S
Запчасти для двигателя RW171FMM
Запчасти для двигателя ZS1P44FMC
Запчасти для двигателя 1P75FMJ, 1P75FMJ-PRO (ATV 300cc)
Запчасти для двигателя 152QMI, RC125T
Запчасти для двигателя 153FMI, ZS153FMI, YX 125, W120
Запчасти для двигателя 154FMI, ZS154FMI, YX 125
Запчасти для двигателя 156FMJ,YX1P56FMJ, 1P56FMJ, W063, YX 140, YX 150, W150
Запчасти для двигателя 156FMI, 1P56FMI, 157FMI, 1P57FMI
Запчасти для двигателя 157QMJ, 1P57QMJ, 158QMJ, 1P58QMJ
Запчасти для двигателя 1P62QML, 1P63QML, JL1P62F, 1P65QML
Запчасти для двигателя 1P63QMK, 1P63QMK-3D, JN1P63QMK-2D (ATV с баланс.валом)
Запчасти для двигателя Z1P75QML-PRO
Запчасти для двигателя JN1P75QML-PRO
Запчасти для двигателя 160FMJ, 1P60FMK, 160FMK, YX160 (W160)
Запчасти для двигателя 161QMK, GY6-170/180/200,
Запчасти для двигателя 161FMJ, RC150-GY, RC150-23
Запчасти для двигателя 162FMJ
Запчасти для двигателя 1P62YML-2, ZS1P62YML-2, W190, Z190
Запчасти для двигателя 163FML, 163FML-2
Запчасти для двигателя 164FML
Запчасти для двигателя 165FML, 166FML, 167FML
Запчасти для двигателя СВВ250, 165FMM, 166FMM, 167FMM
Запчасти для двигателя CB250D-G, 165MM, 166MM, 165FMM, 166FMM
Запчасти для двигателя 167FMM, 167MM
Запчасти для двигателя 168FMM, 169MM, 169FMM, ZS169MM
Запчасти для двигателя 170MM, 170MM-2, 170FMM, ZS170MM-2
Запчасти для двигателя CB250-F, ZS-CB250A, 172FMM-3A, 172MM, ZS172FMM, CB250
Запчасти для двигателя CB300F, ZS175FMM-3A (177FMN)
Запчасти для двигателя CB250R, 172FMM-6, ZS172FMM-6 (4 клапана)
Запчасти для двигателя CB250RL, ZS-CB250RL, 172FMM-7, ZS172FMM-7 (4 клапана, с баланс.валом))
Запчасти для двигателя CB300RL, ZS-CB300RL, 175FMM-7, ZS175FMM-7 (4 клапана, с баланс.валом))
Запчасти для двигателя ZS-PR250, PR250, ZS172FMM-5, 172FMM-5 (с баланс.валом)
Запчасти для двигателя ZS-PR300, PR300, ZS-175FMN, 175FMN (с баланс.валом)
Запчасти для двигателя NC250, ZS-NC250б 177MM, 177FMM, ZS177MM (водн.охлжд, 4 клапана, балан.вал, однокамерный)
Запчасти для двигателя NC300, ZS-NC300, ZS182MN, 182MN (водн.охлжд, 4 клапана, балан.вал, однокамерный)
Запчасти для двигателя NC250S, ZS-NC250S, ZS 177MM-A, 177MM-A (водн.охлжд, 4 клапана, балан.вал, двухкамерный, 2 распредвала)
Запчасти для двигателя NC300S, ZS-NC300, ZS182MN, 182MN (водн.охлжд, 4 клапана, балан.вал, двухкамерный, 2 распредвала))
Запчасти для двигателя NX250, ZS-NX250, ZS178MM-2, 178MN-2 (водн.охлжд 4 клапана, балан.вал, двухкамерный, 2 распредвала)
Запчасти для двигателя CBS300, 174MN, ZS174MN, 174MN-3, ZS 174MN (вод.охлаждение, 4 клапанный)
Запчасти для двигателя NB300, ZS-NB300, ZS174MN-5A, 174MN-5A, ZS 174MN-5 (вод.охлаждение, 4 клапанный)
Запчасти для двигателя NC450, ZS-NC450, 194MQ, ZS194MQ (водн.охлжд 4 клапана, балан.вал, однокамерный)
Запчасти для двигателя 253FMM, FMM253, CTM250, QJ250
Запчасти для двигателей общего назначения LIFAN, HONDA, ZONGSHEN
Запчасти для двигателей Motoland
Запчасти для двигателей Racer
Запчасти для квадроциклов
Запчасти для квадроциклов
Все товары из категории
Запчасти для квадроциклов STELS
Запчасти для квадроциклов AODES (ODES)
Запчасти для квадроциклов PROMAX
Запчасти для квадроциклов CHANGJIANG (CJ)
Запчасти для квадроциклов GBM
Запчасти для квадроциклов IRBIS
Запчасти для квадроциклов РУССКАЯ МЕХАНИКА
Запчасти для снегоходов
Запчасти для снегоходов
Все товары из категории
Запчасти для снегоходов STELS
Запчасти для снегоходов РУССКАЯ МЕХАНИКА
Запчасти для снегоходов IRBIS
Запчасти для снегоходов SNOWFOX
Запчасти для снегоходов WELS
Ветровые стекла для снегоходов
Гусеницы для снегоходов
Запчасти для снегоходов IKUDZO
Запчасти для снегоходов MOTOLAND
Запчасти для снегоходов PROMAX
Запчасти для мотоциклов, мопедов
Запчасти для мотоциклов, мопедов
Все товары из категории
Запчасти для мотоцикла АЛЬФА (ALPHA), ДЕЛЬТА (DELTA) Zodiak, Gvalior и т.д (по типу Альфы)
Запчасти для Российских мотоциклов: ИЖ, УРАЛ, МИНСК, ТУЛА, ВОСХОД, ДНЕПР, ЯВА, ОРИОН, КАРПАТЫ
Запчасти для мотоциклов FRATELI
Запчасти для мопеда FAIDET
Запчасти для мопедов PROMAX
Запчасти для мотоциклов BENDA
Запчасти для мотоциклов FAIDET
Запчасти для мотоциклов KOVE
Запчасти для мотоциклов PROMAX
Запчасти для мотоциклов RACER
Запчасти для скутеров
Запчасти для скутеров
Все товары из категории
Запчасти для скутеров HONDA
Запчасти для скутеров IRBIS
Запчасти для скутеров PROMAX
Запчасти для скутеров RACER
Запчасти для скутеров STELS
Запчасти для скутеров SUZUKI
Запчасти для скутеров YAMAHA
Запчасти для трициклов
Запчасти для трициклов
Все товары из категории
Запчасти для трициклов LIFAN
Запчасти для трициклов Racer
Запчасти для трициклов STELS
Общий каталог
Запчасти для вездеходов
Запчасти для лодочных моторов
Запчасти для лодочных моторов
Все товары из категории
Запчасти для подвесных лодочных моторов BREEZE
Запчасти для подвесных лодочных моторов GLADIATOR
Запчасти для подвесных лодочных моторов HIDEA
Запчасти для подвесных лодочных моторов MERCURY (2х-тактные)
Запчасти для подвесных лодочных моторов MERCURY (4х-тактные)
Запчасти для подвесных лодочных моторов MARLIN
Запчасти для подвесных лодочных моторов PARSUN
Запчасти для подвесных лодочных моторов SEA-PRO
Запчасти для подвесных лодочных моторов SEANOVO
Запчасти для подвесных лодочных моторов SUZUKI
Запчасти для подвесных лодочных моторов TITAN
Запчасти для подвесных лодочных моторов TOHATSU
Запчасти для подвесных лодочных моторов YAMABISI
Запчасти для подвесных лодочных моторов YAMAHA
Запчасти для подвесных лодочных моторов ZONGSHEN
Запчасти для подвесных лодочных моторов PROMAX
Запчасти для лодок и катеров
Запчасти по производителю
Запчасти по производителю
Все товары из категории
Запчасти STELS (СТЕЛС)
Запчасти IRBIS (ИРБИС)
Запчасти RACER (РЕЙСЕР)
Запчасти CENTERPLAST (ЦЕНТРОПЛАСТ)
Запчасти MTR (МТР)
Запчасти RED ENERGY (РЭД ЭНЕРДЖИ)
Запчасти URAL-MOTORS (УРАЛ-МОТОРС)
Запчасти BSE (БСЕ)
Запчасти ZONGSHEN (ЗОНГШЕН)
Запчасти KOIRA (КОЙРА)
Запчасти KAYO (КАЙО)
Запчасти PARSUN (ПАРСУН)
Запчасти PATRON (ПАТРОН)
Запчасти RM (РУССКАЯ МЕХАНИКА)
Запчасти YAMAHA (ЯМАХА)
Запчасти для садовой техники
Запчасти для садовой техники
Все товары из категории
Двигатели общего назначения LIFAN
Запчасти для бензопил
Запчасти для двигателей общего назначения LIFAN
Запчасти для садовой техники Lifan
Запчасти для садовой техники Motoland
Шины и диски
Запчасти для мотобуксировщиков
Запчасти для мотобуксировщиков
Все товары из категории
Запчасти для мотобуксировщиков 6-8л.с (общий каталог)
Запчасти для мотобуксировщиков 9-13л.с (общий каталог)
Запчасти для мотобуксировщиков 15-19л.с (общий каталог)
Запчасти для мотобуксировщиков 20-24л.с (общий каталог)
Запчасти для мотобуксировщиков IKUDZO
Запчасти для мотобуксировщиков IRBIS
Запчасти для мотобуксировщиков KOIRA
Запчасти для мотобуксировщиков OPTI MAX (PREMIUM SERIES)
Запчасти для мотобуксировщиков POMOR
Запчасти для мотобуксировщиков SNOW DOG
Запчасти для мотобуксировщиков МОТОМИР
Запчасти для мотобуксировщиков РОСТИН
Шины, диски
Все товары из категории
Для квадроциклов
Для квадроциклов
Все товары из категории
Покрышки для квадроциклов
Камеры для квадроциклов
Диски для квадроциклов
Для мототехники
Для мототехники
Все товары из категории
Покрышки для дорожной мототехники
Покрышки для внедорожной мототехники
Камеры для мототехники
Для картинга
Для картинга
Все товары из категории
Покрышки для картинга
Для велосипедов
Для велосипедов
Все товары из категории
Шины для велосипедов
Камеры для велосипедов
Для садовой техники
Для садовой техники
Все товары из категории
Покрышки для садовой техники
Камеры для садовой техники
Прицепы, сани
Все товары из категории
Прицепы для мотоциклов и мопедов
Прицепы для перевозки мототехники
Сани
Чехлы
Электротранспорт
Все товары из категории
Электромашинки детские
Электромашинки детские
Все товары из категории
Электроквадроциклы детские
Электромашинки детские
Электромотоциклы детские
Сигвеи
Электромотоциклы
Электроскейты
Электроскутеры
Дрифткарт (Электротрайк)
Мотоколеса
Электровелосипеды
Электроквадроциклы
Электросамокаты
Электроснегоходы
ГСМ
Все товары из категории
Вилочные и амортизаторные масла
Трансмиссионные масла
Масла для квадроциклов и багги (ATV/UTV)
Масла для квадроциклов и багги (ATV/UTV)
Все товары из категории
Масла для 2-х тактных квадроциклов и багги (ATV/UTV)
Масла для 4-х тактных квадроциклов и багги (ATV/UTV)
Масла для водной техники
Масла для водной техники
Все товары из категории
Масла для 2-х тактных ПЛМ
Масла для 4-х тактных ПЛМ
Масла для гидроциклов
Трансмиссионные масла для ПЛМ
Масла для скутеров и мотоциклов
Масла для скутеров и мотоциклов
Все товары из категории
Масла для 2-х тактных скутеров и мотоциклов
Масла для 4-х тактных скутеров и мотоциклов
Масла для садовой техники
Масла для снегоходов
Масла для снегоходов
Все товары из категории
Масла для 2-х тактных снегоходов
Масла для 4-х тактных снегоходов
Смазки
Смазки и пропитки
Уход за цепью
Главная
Запчасти
Запчасти
TITAN
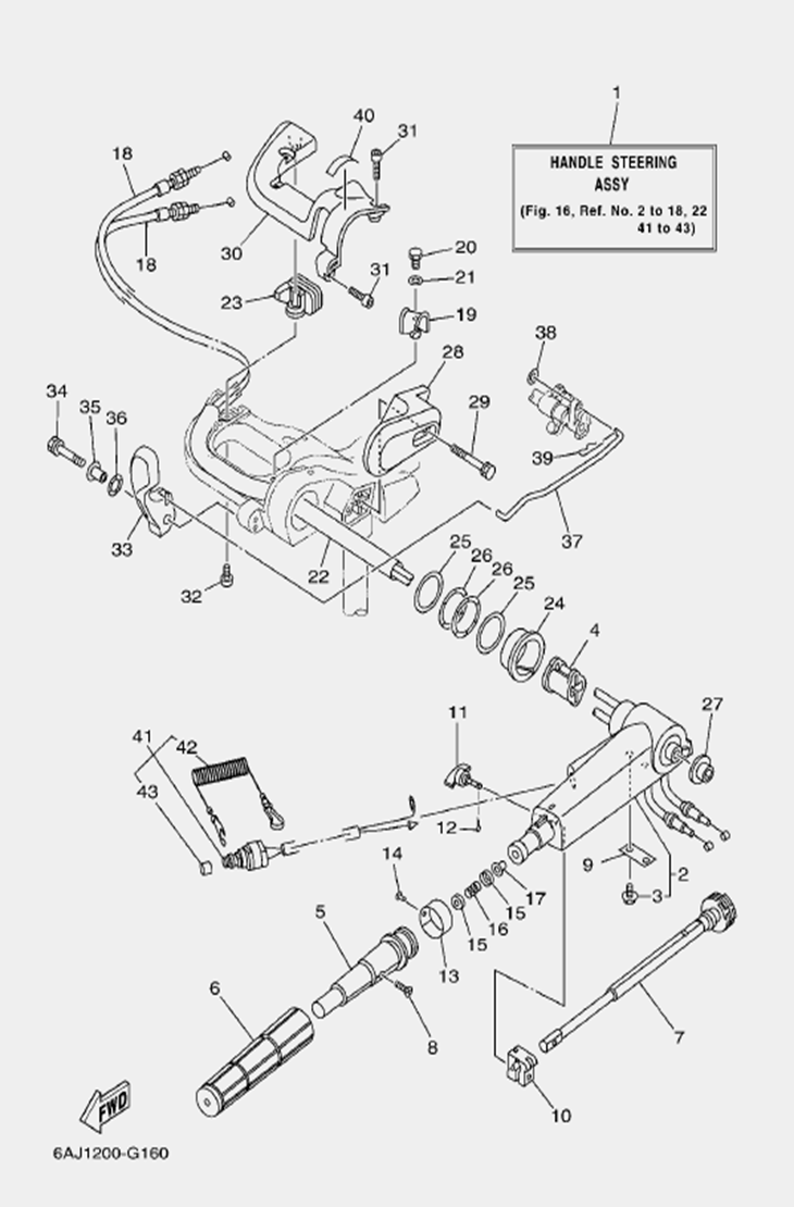
Запчасти для подвесных лодочных моторов TITAN
Генератор 2-Х ТАКТНОГО ПЛМ TITAN TP2.5AMHS
Дейдвуд 2-Х ТАКТНОГО ПЛМ TITAN TP2.5AMHS
Карбюратор 2-Х ТАКТНОГО ПЛМ TITAN TP2.5AMHS
Колпак и топливная система 2-Х ТАКТНОГО ПЛМ TITAN TP2.5AMHS
Редуктор и привод 2-Х ТАКТНОГО ПЛМ TITAN TP2.5AMHS
Стартер 2-Х ТАКТНОГО ПЛМ TITAN TP2.5AMHS
Струбцина 2-Х ТАКТНОГО ПЛМ TITAN TP2.5AMHS
Цилиндр и картер 2-Х ТАКТНОГО ПЛМ TITAN TP2.5AMHS
Генератор 2-Х ТАКТНОГО ПЛМ TITAN TP3AMHS
Дейдвуд 2-Х ТАКТНОГО ПЛМ TITAN TP3AMHS
Карбюратор 2-Х ТАКТНОГО ПЛМ TITAN TP3AMHS
Колпак и топливная система 2-Х ТАКТНОГО ПЛМ TITAN TP3AMHS
Редуктор и привод 2-Х ТАКТНОГО ПЛМ TITAN TP3AMHS
Румпель 2-Х ТАКТНОГО ПЛМ TITAN TP3AMHS
Стартер 2-Х ТАКТНОГО ПЛМ TITAN TP3AMHS
Цилиндр и картер 2-Х ТАКТНОГО ПЛМ TITAN TP3AMHS
Электросистема 2-Х ТАКТНОГО ПЛМ TITAN TP3AMHS
Генератор 2-Х ТАКТНОГО ПЛМ TITAN TP5AMHS
Дейдвуд и струбцина 2-Х ТАКТНОГО ПЛМ TITAN TP5AMHS
Капот 2-Х ТАКТНОГО ПЛМ TITAN TP5AMHS
Клапана и карбюратор 2-Х ТАКТНОГО ПЛМ TITAN TP5AMHS
Поддон 2-Х ТАКТНОГО ПЛМ TITAN TP5AMHS
Редуктор 2-Х ТАКТНОГО ПЛМ TITAN TP5AMHS
Система управления 2-Х ТАКТНОГО ПЛМ TITAN TP5AMHS
Стартер 2-Х ТАКТНОГО ПЛМ TITAN TP5AMHS
Топливный бак 2-Х ТАКТНОГО ПЛМ TITAN TP5AMHS
Цилиндр, картер и коленвал 2-Х ТАКТНОГО ПЛМ TITAN TP5AMHS
Электросистема 2-Х ТАКТНОГО ПЛМ TITAN TP5AMHS
Генератор 2-Х ТАКТНОГО ПЛМ TITAN TP30AMHS
Двигатель 2-Х ТАКТНОГО ПЛМ TITAN TP30AMHS
Дейдвуд 2-Х ТАКТНОГО ПЛМ TITAN TP30AMHS
Капот 2-Х ТАКТНОГО ПЛМ TITAN TP30AMHS
Карбюратор 2-Х ТАКТНОГО ПЛМ TITAN TP30AMHS
Клапана 2-Х ТАКТНОГО ПЛМ TITAN TP30AMHS
Коленвал и поршень 2-Х ТАКТНОГО ПЛМ TITAN TP30AMHS
Корпус редуктора 2-Х ТАКТНОГО ПЛМ TITAN TP30AMHS
Кронштейн 2-Х ТАКТНОГО ПЛМ TITAN TP30AMHS
Машинка газ-реверс 2-Х ТАКТНОГО ПЛМ TITAN TP30AMHS
Поддон 2-Х ТАКТНОГО ПЛМ TITAN TP30AMHS
Редуктор 2-Х ТАКТНОГО ПЛМ TITAN TP30AMHS
Румпель 2-Х ТАКТНОГО ПЛМ TITAN TP30AMHS
Система управления (часть 1) 2-Х ТАКТНОГО ПЛМ TITAN TP30AMHS
Система управления (часть 2) 2-Х ТАКТНОГО ПЛМ TITAN TP30AMHS
Стартер 2-Х ТАКТНОГО ПЛМ TITAN TP30AMHS
Струбцина 2-Х ТАКТНОГО ПЛМ TITAN TP30AMHS
Топливная система 2-Х ТАКТНОГО ПЛМ TITAN TP30AMHS
Тяга рулевого управления 2-Х ТАКТНОГО ПЛМ TITAN TP30AMHS
Электросистема (часть 1) 2-Х ТАКТНОГО ПЛМ TITAN TP30AMHS
Электросистема (часть 2) 2-Х ТАКТНОГО ПЛМ TITAN TP30AMHS
Генератор 2-Х ТАКТНОГО ПЛМ TITAN TP30AWHS
Двигатель 2-Х ТАКТНОГО ПЛМ TITAN TP30AWHS
Дейдвуд 2-Х ТАКТНОГО ПЛМ TITAN TP30AWHS
Капот 2-Х ТАКТНОГО ПЛМ TITAN TP30AWHS
Карбюратор 2-Х ТАКТНОГО ПЛМ TITAN TP30AWHS
Клапана 2-Х ТАКТНОГО ПЛМ TITAN TP30AWHS
Машинка газ-реверс 2-Х ТАКТНОГО ПЛМ TITAN TP30AWHS
Поддон 2-Х ТАКТНОГО ПЛМ TITAN TP30AWHS
Редуктор 2-Х ТАКТНОГО ПЛМ TITAN TP30AWHS
Румпель 2-Х ТАКТНОГО ПЛМ TITAN TP30AWHS
Система управления (часть 1) 2-Х ТАКТНОГО ПЛМ TITAN TP30AWHS
Система управления (часть 2) 2-Х ТАКТНОГО ПЛМ TITAN TP30AWHS
Стартер 2-Х ТАКТНОГО ПЛМ TITAN TP30AWHS
Струбцина 2-Х ТАКТНОГО ПЛМ TITAN TP30AWHS
Топливная система 2-Х ТАКТНОГО ПЛМ TITAN TP30AWHS
Тяга рулевого управления 2-Х ТАКТНОГО ПЛМ TITAN TP30AWHS
Электросистема (часть 1) 2-Х ТАКТНОГО ПЛМ TITAN TP30AWHS
Электросистема (часть 2) 2-Х ТАКТНОГО ПЛМ TITAN TP30AWHS
Электростартер 2-Х ТАКТНОГО ПЛМ TITAN TP30AWHS
Генератор 2-Х ТАКТНОГО ПЛМ TITAN TP40AERTS
Двигатель 2-Х ТАКТНОГО ПЛМ TITAN TP40AERTS
Дейдвуд 2-Х ТАКТНОГО ПЛМ TITAN TP40AERTS
Капот 2-Х ТАКТНОГО ПЛМ TITAN TP40AERTS
Карбюратор 2-Х ТАКТНОГО ПЛМ TITAN TP40AERTS
Клапана 2-Х ТАКТНОГО ПЛМ TITAN TP40AERTS
Коленвал и поршень 2-Х ТАКТНОГО ПЛМ TITAN TP40AERTS
Корпус редуктора 2-Х ТАКТНОГО ПЛМ TITAN TP40AERTS
Кронштейн 2-Х ТАКТНОГО ПЛМ TITAN TP40AERTS
Машинка газ-реверс 2-Х ТАКТНОГО ПЛМ TITAN TP40AERTS
Поддон 2-Х ТАКТНОГО ПЛМ TITAN TP40AERTS
Редуктор 2-Х ТАКТНОГО ПЛМ TITAN TP40AERTS
Рулевая тяга 2-Х ТАКТНОГО ПЛМ TITAN TP40AERTS
Румпель 2-Х ТАКТНОГО ПЛМ TITAN TP40AERTS
Система управления 2-Х ТАКТНОГО ПЛМ TITAN TP40AERTS
Стартер 2-Х ТАКТНОГО ПЛМ TITAN TP40AERTS
Струбцина 2-Х ТАКТНОГО ПЛМ TITAN TP40AERTS
Топливная система 2-Х ТАКТНОГО ПЛМ TITAN TP40AERTS
Топливный бак 2-Х ТАКТНОГО ПЛМ TITAN TP40AERTS
Электросистема (часть 1) 2-Х ТАКТНОГО ПЛМ TITAN TP40AERTS
Электросистема (часть 2) 2-Х ТАКТНОГО ПЛМ TITAN TP40AERTS
Электросистема (часть 3) 2-Х ТАКТНОГО ПЛМ TITAN TP40AERTS
Электростартер 2-Х ТАКТНОГО ПЛМ TITAN TP40AERTS
Генератор 2-Х ТАКТНОГО ПЛМ TITAN TP40AMHS
Двигатель 2-Х ТАКТНОГО ПЛМ TITAN TP40AMHS
Дейдвуд 2-Х ТАКТНОГО ПЛМ TITAN TP40AMHS
Капот 2-Х ТАКТНОГО ПЛМ TITAN TP40AMHS
Карбюратор 2-Х ТАКТНОГО ПЛМ TITAN TP40AMHS
Клапана 2-Х ТАКТНОГО ПЛМ TITAN TP40AMHS
Коленвал и поршень 2-Х ТАКТНОГО ПЛМ TITAN TP40AMHS
Корпус редуктора 2-Х ТАКТНОГО ПЛМ TITAN TP40AMHS
Кронштейн 2-Х ТАКТНОГО ПЛМ TITAN TP40AMHS
Машинка газ-реверс 2-Х ТАКТНОГО ПЛМ TITAN TP40AMHS
Поддон 2-Х ТАКТНОГО ПЛМ TITAN TP40AMHS
Редуктор 2-Х ТАКТНОГО ПЛМ TITAN TP40AMHS
Рулевая тяга 2-Х ТАКТНОГО ПЛМ TITAN TP40AMHS
Румпель 2-Х ТАКТНОГО ПЛМ TITAN TP40AMHS
Система управления 2-Х ТАКТНОГО ПЛМ TITAN TP40AMHS
Стартер 2-Х ТАКТНОГО ПЛМ TITAN TP40AMHS
Струбцина 2-Х ТАКТНОГО ПЛМ TITAN TP40AMHS
Топливная система 2-Х ТАКТНОГО ПЛМ TITAN TP40AMHS
Топливный бак 2-Х ТАКТНОГО ПЛМ TITAN TP40AMHS
Электросистема (часть 1) 2-Х ТАКТНОГО ПЛМ TITAN TP40AMHS
Электросистема (часть 2) 2-Х ТАКТНОГО ПЛМ TITAN TP40AMHS
Электросистема (часть 3) 2-Х ТАКТНОГО ПЛМ TITAN TP40AMHS
Впускная система 4-Х ТАКТНОГО ПЛМ TITAN FTP20AWRS
Генератор 4-Х ТАКТНОГО ПЛМ TITAN FTP20AWRS
Головка блока 4-Х ТАКТНОГО ПЛМ TITAN FTP20AWRS
Двигатель 4-Х ТАКТНОГО ПЛМ TITAN FTP20AWRS
Дейдвуд 4-Х ТАКТНОГО ПЛМ TITAN FTP20AWRS
Карбюратор 4-Х ТАКТНОГО ПЛМ TITAN FTP20AWRS
Клапана 4-Х ТАКТНОГО ПЛМ TITAN FTP20AWRS
Коленвал и поршень 4-Х ТАКТНОГО ПЛМ TITAN FTP20AWRS
Колпак 4-Х ТАКТНОГО ПЛМ TITAN FTP20AWRS
Масляный поддон 4-Х ТАКТНОГО ПЛМ TITAN FTP20AWRS
Поддон 4-Х ТАКТНОГО ПЛМ TITAN FTP20AWRS
Распредвал и масляный насос 4-Х ТАКТНОГО ПЛМ TITAN FTP20AWRS
Редуктор (часть 1) 4-Х ТАКТНОГО ПЛМ TITAN FTP20AWRS
Редуктор (часть 2) 4-Х ТАКТНОГО ПЛМ TITAN FTP20AWRS
Рулевое управление 4-Х ТАКТНОГО ПЛМ TITAN FTP20AWRS
Система переключения передач (часть 1) 4-Х ТАКТНОГО ПЛМ TITAN FTP20AWRS
Система переключения передач (часть 2) 4-Х ТАКТНОГО ПЛМ TITAN FTP20AWRS
Стартер 4-Х ТАКТНОГО ПЛМ TITAN FTP20AWRS
Струбцина (часть 1) 4-Х ТАКТНОГО ПЛМ TITAN FTP20AWRS
Струбцина (часть 2) 4-Х ТАКТНОГО ПЛМ TITAN FTP20AWRS
Топливная система 4-Х ТАКТНОГО ПЛМ TITAN FTP20AWRS
Топливный бак 4-Х ТАКТНОГО ПЛМ TITAN FTP20AWRS
Электросистема (часть 1) 4-Х ТАКТНОГО ПЛМ TITAN FTP20AWRS
Электросистема (часть 2) 4-Х ТАКТНОГО ПЛМ TITAN FTP20AWRS
Электросистема (часть 3) 4-Х ТАКТНОГО ПЛМ TITAN FTP20AWRS
Электросистема (часть 4) 4-Х ТАКТНОГО ПЛМ TITAN FTP20AWRS
Впускная система 4-Х ТАКТНОГО ПЛМ TITAN FTP20AMHS
Генератор 4-Х ТАКТНОГО ПЛМ TITAN FTP20AMHS
Головка блока 4-Х ТАКТНОГО ПЛМ TITAN FTP20AMHS
Двигатель 4-Х ТАКТНОГО ПЛМ TITAN FTP20AMHS
Дейдвуд 4-Х ТАКТНОГО ПЛМ TITAN FTP20AMHS
Карбюратор 4-Х ТАКТНОГО ПЛМ TITAN FTP20AMHS
Клапана 4-Х ТАКТНОГО ПЛМ TITAN FTP20AMHS
Коленвал и поршень 4-Х ТАКТНОГО ПЛМ TITAN FTP20AMHS
Колпак 4-Х ТАКТНОГО ПЛМ TITAN FTP20AMHS
Масляный поддон 4-Х ТАКТНОГО ПЛМ TITAN FTP20AMHS
Поддон 4-Х ТАКТНОГО ПЛМ TITAN FTP20AMHS
Распредвал и масляный насос 4-Х ТАКТНОГО ПЛМ TITAN FTP20AMHS
Редуктор (часть 1) 4-Х ТАКТНОГО ПЛМ TITAN FTP20AMHS
Редуктор (часть 2) 4-Х ТАКТНОГО ПЛМ TITAN FTP20AMHS
Рулевое управление 4-Х ТАКТНОГО ПЛМ TITAN FTP20AMHS
Румпель 4-Х ТАКТНОГО ПЛМ TITAN FTP20AMHS
Система переключения передач (часть 1) 4-Х ТАКТНОГО ПЛМ TITAN FTP20AMHS
Система переключения передач (часть 2) 4-Х ТАКТНОГО ПЛМ TITAN FTP20AMHS
Стартер 4-Х ТАКТНОГО ПЛМ TITAN FTP20AMHS
Струбцина (часть 1) 4-Х ТАКТНОГО ПЛМ TITAN FTP20AMHS
Струбцина (часть 2) 4-Х ТАКТНОГО ПЛМ TITAN FTP20AMHS
Топливная система 4-Х ТАКТНОГО ПЛМ TITAN FTP20AMHS
Топливный бак 4-Х ТАКТНОГО ПЛМ TITAN FTP20AMHS
Электросистема (часть 1) 4-Х ТАКТНОГО ПЛМ TITAN FTP20AMHS
Электросистема (часть 2) 4-Х ТАКТНОГО ПЛМ TITAN FTP20AMHS
Впускная система 4-Х ТАКТНОГО ПЛМ TITAN FTP20AWHS
Генератор 4-Х ТАКТНОГО ПЛМ TITAN FTP20AWHS
Головка блока 4-Х ТАКТНОГО ПЛМ TITAN FTP20AWHS
Двигатель 4-Х ТАКТНОГО ПЛМ TITAN FTP20AWHS
Дейдвуд 4-Х ТАКТНОГО ПЛМ TITAN FTP20AWHS
Карбюратор 4-Х ТАКТНОГО ПЛМ TITAN FTP20AWHS
Клапана 4-Х ТАКТНОГО ПЛМ TITAN FTP20AWHS
Коленвал и поршень 4-Х ТАКТНОГО ПЛМ TITAN FTP20AWHS
Колпак 4-Х ТАКТНОГО ПЛМ TITAN FTP20AWHS
Масляный поддон 4-Х ТАКТНОГО ПЛМ TITAN FTP20AWHS
Поддон 4-Х ТАКТНОГО ПЛМ TITAN FTP20AWHS
Распредвал и масляный насос 4-Х ТАКТНОГО ПЛМ TITAN FTP20AWHS
Редуктор (часть 1) 4-Х ТАКТНОГО ПЛМ TITAN FTP20AWHS
Редуктор (часть 2) 4-Х ТАКТНОГО ПЛМ TITAN FTP20AWHS
Рулевое управление 4-Х ТАКТНОГО ПЛМ TITAN FTP20AWHS
Румпель 4-Х ТАКТНОГО ПЛМ TITAN FTP20AWHS
Система переключения передач (часть 1) 4-Х ТАКТНОГО ПЛМ TITAN FTP20AWHS
Система переключения передач (часть 2) 4-Х ТАКТНОГО ПЛМ TITAN FTP20AWHS
Стартер 4-Х ТАКТНОГО ПЛМ TITAN FTP20AWHS
Струбцина (часть 1) 4-Х ТАКТНОГО ПЛМ TITAN FTP20AWHS
Струбцина (часть 2) 4-Х ТАКТНОГО ПЛМ TITAN FTP20AWHS
Топливная система 4-Х ТАКТНОГО ПЛМ TITAN FTP20AWHS
Топливный бак 4-Х ТАКТНОГО ПЛМ TITAN FTP20AWHS
Электросистема (часть 1) 4-Х ТАКТНОГО ПЛМ TITAN FTP20AWHS
Электросистема (часть 2) 4-Х ТАКТНОГО ПЛМ TITAN FTP20AWHS
Электросистема (часть 3) 4-Х ТАКТНОГО ПЛМ TITAN FTP20AWHS
Электросистема (часть 4) 4-Х ТАКТНОГО ПЛМ TITAN FTP20AWHS